六欣 开云电竞首存活动集研发/生产/销售服务于一体

全国服务热线400-892-2003189-2584-2597

六欣机械:开云电竞首存活动产品齐全满足一站购齐需求

热搜关键词: 浮动卡盘 hth开云 hth华电竞和开云 夹具附件

上一页
下一页

三爪中实液压卡盘

三爪中实液压卡盘

三爪中实液压卡盘

韩国瑞岩三爪中实液压卡盘CAS系列

韩国瑞岩SEOAM三爪中实液压卡盘CAS系列是一款中实型动力卡盘,此型号卡盘没有通孔,加工工件无须穿入卡盘的情况下使用。

产品特点:

1、速度快 : 其最佳设计确保了强大的夹紧力和高速运转的安全性。

2、滑条件 : 此卡盘采用经过特殊热处理的合金钢为材质,通过改善润滑条件,使其具备高精度、高强度和高耐磨的特性。

3、兼容性 : 此卡盘具有与大通孔卡盘相同的软爪和硬爪,因此具有兼容性。

服务热线: 400-892-2003
产品参数/ Product parameters
产品参数详情表
规格 主轴型号(-) 爪行程直径(mm) 柱塞行程(mm) 夹持力(max) 夹持力(min) 输入力(kgf) 静夹持力(kgf) 转速(r.p.m) 重量(kg) 转动惯性(-)
CAS-06 A2-5 9.2 20 165 19 19(1938) 63(6426) 6000 13 1.77(0.18)
CAS-08 A2-6 8.8 21 210 23 28(2856) 80(8160) 4800 25 5.39(0.55)
CAS-10 A2-8 8.8 25 254 24 32.5(3315) 115(11730) 4100 37 11.17(1.20)
产品特点/ Product characteristics
  • 中实设计

    中实设计

    此型号卡盘没有通孔,加工工件无须穿入卡盘的情况下使用。

  • 速度快

    速度快

    其最佳设计确保了强大的夹紧力和高速运转的安全性。

  • 滑条件

    滑条件

    采用特殊热处理的合金钢为材质,通过改善润滑条件,使其具备高精度、高强度和高耐磨的特性。

  • 兼容性

    兼容性

    此卡盘具有与大通孔卡盘相同的软爪和硬爪,因此具有兼容性。

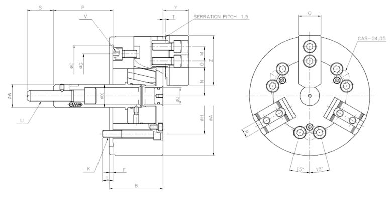
尺寸表/ Indexing chuck process drawing

三爪中实液压卡盘CAS尺寸表

三爪中实液压卡盘CAS工艺图


品牌中心/ Brand center

品牌中心LOGO

六欣优势/ liuxin advantage
  • 品质

    从原料到成品,经过108道工序,采用德制设备及检测仪器来完成整套加工工序,不合格品一律报废处理,确保产品出厂合格率.

  • 价格

    一手货源,没有中间商

  • 品牌

    产品被好的品牌选用,例如︰美国哈挺、日本津上、韩国斗山等

  • 精度

    广泛应用于航天航空、精密模具、医疗器械等夹持有精度要求的行业

  • 定制

    拥有设计团队,半小时内掌握需求,24小时内能出具方案给到您

  • 货源

    全国多个仓库,就近发货

  • 服务

    3分钟内响应、当天了解、分析、解决客户对卡盘等夹具出现的一切顾虑问题


  • 选配

    一线品牌,一级代理,快速选配,技术支持

热品推荐 / Hot product

千岛三爪中空液压卡盘

千岛三爪中空液压卡盘OP

台湾千岛chandox三爪中空液压卡盘OP系列是一款中空卡盘,搭配中空型油缸和拉杆一起工作;通孔设计工件可以穿过卡盘,一般适合夹持圆棒工件。产品优势:1、优选材质,端面经硬化处理及精密研磨而成,耐用性强。2、产品被好的品牌选用,例如:美国哈挺、日本津上、韩国斗山等。应用场景:主要应用于数控车床,CNC加工中心等机床设备夹持工件的作用。
千岛二爪中空液压卡盘

千岛二爪中空液压卡盘OPT

台湾千岛chandox二爪中空液压卡盘OPT系列是一款二爪卡盘,此款卡盘适合夹持不规则工件,如方形工件等。产品优势:1、从原料到成品,经过108道工序精密研磨,采用德制设备及检测仪器来完成整套加工工序,不合格品一律报废处理,确保产品出厂合格率达100%。2、产品被好的品牌选用,例如:美国哈挺、日本津上、韩国斗山等。应用场景:主要应用于数控车床,CNC加工中心等机床设备夹持工件的作用。
千岛四爪中空液压卡盘

千岛四爪中空液压卡盘OPF

台湾千岛chandox四爪中空液压卡盘OPF系列是一款中空设计的夹具,通孔设计工件可以穿过卡盘,一般适合夹持圆棒或者不规则工件。产品优势:1、从原料到成品,经过108道工序精密研磨,采用德制设备及检测仪器来完成整套加工工序,不合格品一律报废处理,确保产品出厂合格率达100%。2、产品被好的品牌选用,例如:美国哈挺、日本津上、韩国斗山等。应用场景:主要应用于数控车床,CNC加工中心等机床设备夹持工件的作用。
千岛立车用中实卡盘

千岛立车用中实卡盘CL-DP

台湾千岛chandox立车用中实卡盘CL-DP系列是一款中实设计的夹具,一般使用在立车上,适合夹持超大型工件。产品优势:1、从原料到成品,经过108道工序精密研磨,采用德制设备及检测仪器来完成整套加工工序,不合格品一律报废处理,确保产品出厂合格率达100%。2、产品被好的品牌选用,例如:美国哈挺、日本津上、韩国斗山等。应用场景:主要应用于CNC加工中心等机床设备夹持工件的作用。
全国服务热线: 400-892-2003
Baidu
map