-
中空设计
是一款轻量缩短大通孔径超高速中空液压缸;
-
优选材质
采用特殊材质精制而成,耐用性强;
-
防过压设计
内置Lock Valve,防过压,预防液压缸受损,停电或压力急降时保持推力;
-
大通孔径
大通孔径设计,配合中空卡盘使用,高精度,高转速;

韩国三千里短体长行程开云世界杯结算SHL系列,是一款轻量短体高速中空液压缸,比SYH型轻。
产品特点:
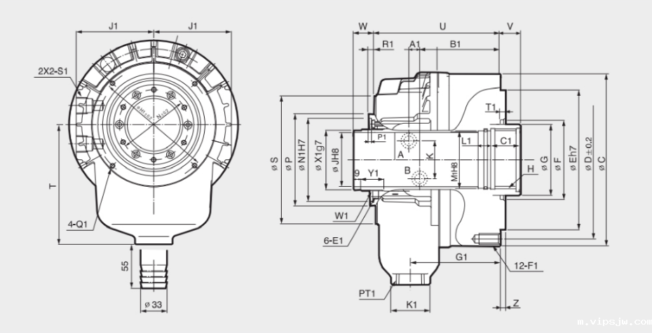
1.中空大通孔设计,配合中空卡盘使用,高精度,高转速;
2.内置Lock Valve,防过压,预防液压缸受损,停电或压力急降时保持推力;
| 产品参数详情表 | ||||||||||||
| 规格 | 通径(mm) | 活塞直径(mm) | 活塞行程(mm) | 活塞推力(Push) | 活塞推力(Pull) | 最大工作压力(kgf/cm²) | 允许最大转速(min) | 重量[kg] | 惯性力矩[kg.m²] | |||
| SHL-17068 | 68 | 170 | 40 | 63(6531) | 59.8(6060) | 4.0(40.8) | 5600 | 17.8 | 0.69(0.070) | |||
| SHL-18077 | 77 | 185 | 40 | 75.3(7632) | 69.6(7087) | 4.0(40.8) | 5000 | 18.5 | 0.86(0.088) | |||
| SHL-25011 | 117.5 | 255 | 50 | 132(13390) | 121(12305) | 4.0(40.8) | 3000 | 54 | 1.9(0.193) | |||
| SHL-39024 | 240 | 390 | 51 | 152.5(15570) | 138.7(14152) | 2.5(25) | 1500 | 140 | 39.64(4.045) | |||
是一款轻量缩短大通孔径超高速中空液压缸;
采用特殊材质精制而成,耐用性强;
内置Lock Valve,防过压,预防液压缸受损,停电或压力急降时保持推力;
大通孔径设计,配合中空卡盘使用,高精度,高转速;
品牌中心/ Brand center
从原料到成品,经过108道工序,采用德制设备及检测仪器来完成整套加工工序,不合格品一律报废处理,确保产品出厂合格率.
一手货源,没有中间商
产品被好的品牌选用,例如︰美国哈挺、日本津上、韩国斗山等
广泛应用于航天航空、精密模具、医疗器械等夹持有精度要求的行业
拥有设计团队,半小时内掌握需求,24小时内能出具方案给到您
全国多个仓库,就近发货
3分钟内响应、当天了解、分析、解决客户对卡盘等夹具出现的一切顾虑问题
一线品牌,一级代理,快速选配,技术支持
微信咨询
400电话