-
便于检测和维修
由于从外部便于操控逆止阀,当回转油缸安装到设备上后仍便于修理和检测。
-
防泄漏设计
回转油缸主体采取防泄漏设计,完全消除漏的可能性。
-
动力强大
当回转油缸重量减轻及拉力加大时,仍可保证最高的机械效率和强大的动力。
-
优选材质
使用优质的钢材,精密研磨,使用寿命长。


韩国瑞岩SEOAM大通孔回转油缸YAH系列一款大孔径型油缸,此回转油缸带有单向阀,当断电时,压力仍可保持一段时间,因此确保安全。
产品特点:
1.便于检测和维修 : 由于从外部便于操控逆止阀,当回转油缸安装到设备上后仍便于修理和检测。
2.防泄漏设计(专利注册:0172805) : 回转油缸主体采取防泄漏设计,完全消除漏的可能性。
3.动力强大 : 当回转油缸重量减轻及拉力加大时,仍可保证最高的机械效率和强大的动力。
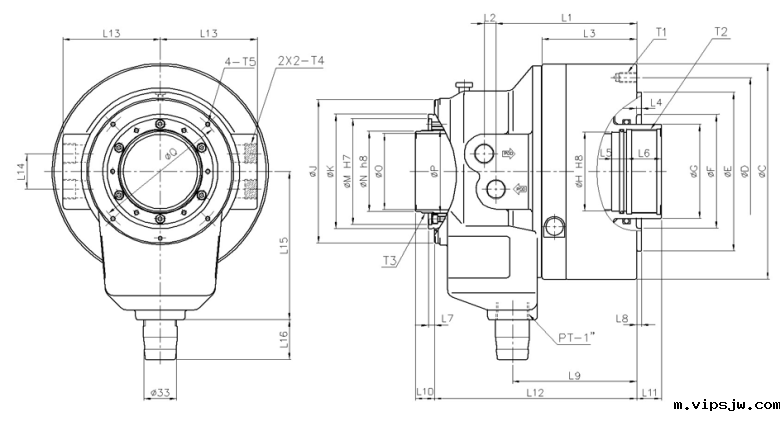
| 产品参数详情表 | ||||||||||||
| 规格 | 允许转速(r.p.m) | 重量(kg) | 转动惯量(-) | 活塞行程(mm) | 通孔直径(mm) | 活塞表面积扩大(-) | 活塞表面积缩回(-) | 拉杆拉伸(-) | 拉杆拉回(-) | 操作压力(-) | ||
| YAH-06 | 7000 | 12 | 0.74(0.075) | 15 | 46 | 110.6 | 99.5 | 41.6(4242) | 37.4(3816) | 40.8 | ||
| YAH-08 | 6200 | 15.5 | 1.96(0.20) | 20 | 52 | 172.8 | 162.6 | 65.0(6627) | 61.2(6236) | 40.8 | ||
| YAH-10 | 4700 | 23 | 3.43(0.35) | 25 | 77 | 213.3 | 197.9 | 80.2(8180) | 74.5(7590) | 40.8 | ||
由于从外部便于操控逆止阀,当回转油缸安装到设备上后仍便于修理和检测。
回转油缸主体采取防泄漏设计,完全消除漏的可能性。
当回转油缸重量减轻及拉力加大时,仍可保证最高的机械效率和强大的动力。
使用优质的钢材,精密研磨,使用寿命长。
品牌中心/ Brand center
从原料到成品,经过108道工序,采用德制设备及检测仪器来完成整套加工工序,不合格品一律报废处理,确保产品出厂合格率.
一手货源,没有中间商
产品被好的品牌选用,例如︰美国哈挺、日本津上、韩国斗山等
广泛应用于航天航空、精密模具、医疗器械等夹持有精度要求的行业
拥有设计团队,半小时内掌握需求,24小时内能出具方案给到您
全国多个仓库,就近发货
3分钟内响应、当天了解、分析、解决客户对卡盘等夹具出现的一切顾虑问题
一线品牌,一级代理,快速选配,技术支持
微信咨询
400电话