-
立式安装
立式安装,并且卡盘和气缸自成一体,具有油缸的功能
-
精度高
可以获得比液压卡盘更高的精密度。
-
内置气缸
内部汽缸设置,防尘防水,提升卡盘使用寿命。
-
优选材质
使用优质的钢材,精密研磨,使用寿命长。

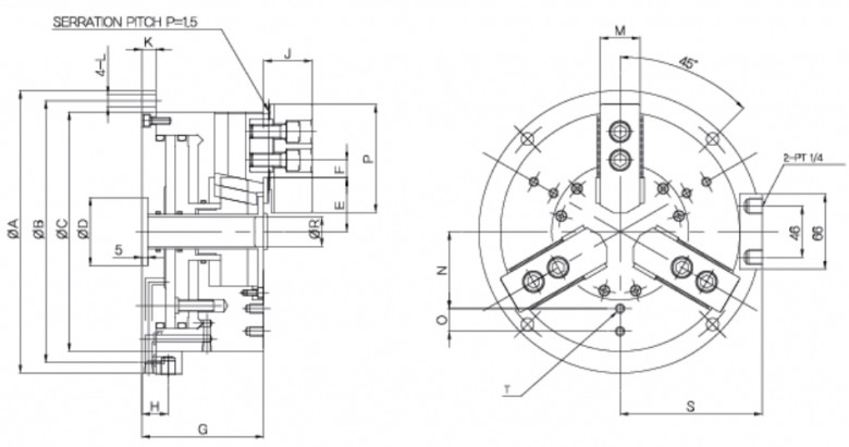
韩国瑞岩SEOAM加工中心气动卡盘(SM-FXB)系列是一款气压卡盘,立式安装,并且卡盘和气缸自成一体,具有气缸的功能。
产品特点:
1.可以获得比液压卡盘更高的精密度。
2.内部汽缸设置,防尘防水,提升卡盘使用寿命。
| 产品参数详情表 | ||||||||||||
| 规格 | 爪行程直径(mm) | 最大夹持力(kgf) | 最小夹持力(kgf) | 静态夹持力(kgf) | 重量(kg) | |||||||
| SM-FXB 06 | 5.5 | 110 | 8 | 20.6(2100) | 15 | |||||||
| SM-FXB 08 | 7 | 210 | 38 | 33.3(3400) | 26 | |||||||
| SM-FXB 10 | 7 | 256 | 38 | 51(5200) | 40 | |||||||
立式安装,并且卡盘和气缸自成一体,具有油缸的功能
可以获得比液压卡盘更高的精密度。
内部汽缸设置,防尘防水,提升卡盘使用寿命。
使用优质的钢材,精密研磨,使用寿命长。
品牌中心/ Brand center
从原料到成品,经过108道工序,采用德制设备及检测仪器来完成整套加工工序,不合格品一律报废处理,确保产品出厂合格率.
一手货源,没有中间商
产品被好的品牌选用,例如︰美国哈挺、日本津上、韩国斗山等
广泛应用于航天航空、精密模具、医疗器械等夹持有精度要求的行业
拥有设计团队,半小时内掌握需求,24小时内能出具方案给到您
全国多个仓库,就近发货
3分钟内响应、当天了解、分析、解决客户对卡盘等夹具出现的一切顾虑问题
一线品牌,一级代理,快速选配,技术支持
微信咨询
400电话