-
双活塞设计
油缸是双活塞,双活塞独立运转;
-
高转速
轻量简洁,转速高,安装更方便
-
实用性强
有一个活塞是主要夹紧工件时使用,另一个活塞使用在辅助夹紧或定心或排出工件等。
-
优选材质
使用优质的钢材,精密研磨,使用寿命长。


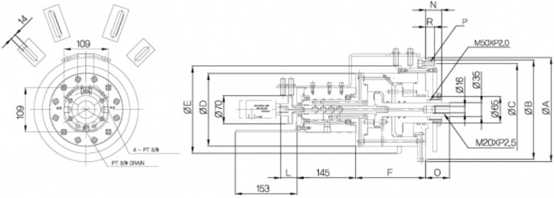
韩国瑞岩SEOAM双活塞回转油缸(SM-YDP)系列是一款双活塞型油缸,双活塞独立运转,一个夹紧工件用,一个辅助夹紧和排出工件。
产品特点:
1.这个油缸是双活塞,双活塞独立运转。
2.有一个活塞是主要夹紧工件时使用,另一个活塞使用在辅助夹紧或定心或排出工件等。
| 产品参数详情表 | ||||||||||||
| 规格 | 允许转速(r.p.m) | 重量(kg) | 活塞表面积扩大(-) | 活塞表面积缩回(-) | 最大操作压力(-) | 气缸直径活塞(1) | 气缸直径活塞(2) | 活塞行程活塞(1) | 活塞行程 活塞(2) | |||
| SM-YDP 125 | 5000 | 43 | 113/89 | 47/40 | 35 | 125 | 80 | 35 | 20 | |||
| SM-YDP 140 | 4500 | 46 | 144/120 | 47/40 | 35 | 140 | 80 | 35 | 20 | |||
| SM-YDP 160 | 4000 | 52 | 191/167 | 47/40 | 35 | 160 | 80 | 50 | 20 | |||
油缸是双活塞,双活塞独立运转;
轻量简洁,转速高,安装更方便
有一个活塞是主要夹紧工件时使用,另一个活塞使用在辅助夹紧或定心或排出工件等。
使用优质的钢材,精密研磨,使用寿命长。
品牌中心/ Brand center
从原料到成品,经过108道工序,采用德制设备及检测仪器来完成整套加工工序,不合格品一律报废处理,确保产品出厂合格率.
一手货源,没有中间商
产品被好的品牌选用,例如︰美国哈挺、日本津上、韩国斗山等
广泛应用于航天航空、精密模具、医疗器械等夹持有精度要求的行业
拥有设计团队,半小时内掌握需求,24小时内能出具方案给到您
全国多个仓库,就近发货
3分钟内响应、当天了解、分析、解决客户对卡盘等夹具出现的一切顾虑问题
一线品牌,一级代理,快速选配,技术支持
微信咨询
400电话