-
用途广泛
主要加工有色金属和陶瓷或者容易变形的工件,并且卡盘内部装置了汽缸。
-
精度高
可以获得比液压卡盘更高的精密度。
-
内置气缸
内部汽缸设置,防尘防水,提升卡盘使用寿命。
-
优选材质
使用优质的钢材,精密研磨,使用寿命长。

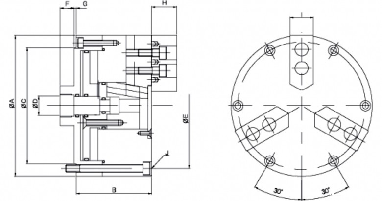
韩国瑞岩SEOAM三爪气动卡盘(SM-AIR)系列是一款气压卡盘,主要加工有色金属和陶瓷或者容易变形的工件,并且卡盘内部装置了汽缸。
产品特点:
1.可以获得比液压卡盘更高的精密度。
2.内部汽缸设置,防尘防水,提升卡盘使用寿命。
| 产品参数详情表 | ||||||||||||
| 规格 | 爪行程直径(mm) | 柱塞行程(mm) | 最大输入力(kgf) | 静夹持力(kgf) | 转速(r.p.m) | 夹持外径(-) | 夹持内径(-) | |||||
| SM-AIR 06 | 4 | 18.5 | 31.37(3200) | 86.27(8800) | 5000 | 25/254 | 75/254 | |||||
| SM-AIR 08 | 4 | 18.5 | 13.14(4400) | 118.63(12100) | 4200 | 25/304 | 75/304 | |||||
| SM-AIR 10 | 5 | 20 | 58.82(6000) | 136.27(13900) | 3000 | 30/381 | 82/381 | |||||
主要加工有色金属和陶瓷或者容易变形的工件,并且卡盘内部装置了汽缸。
可以获得比液压卡盘更高的精密度。
内部汽缸设置,防尘防水,提升卡盘使用寿命。
使用优质的钢材,精密研磨,使用寿命长。
品牌中心/ Brand center
从原料到成品,经过108道工序,采用德制设备及检测仪器来完成整套加工工序,不合格品一律报废处理,确保产品出厂合格率.
一手货源,没有中间商
产品被好的品牌选用,例如︰美国哈挺、日本津上、韩国斗山等
广泛应用于航天航空、精密模具、医疗器械等夹持有精度要求的行业
拥有设计团队,半小时内掌握需求,24小时内能出具方案给到您
全国多个仓库,就近发货
3分钟内响应、当天了解、分析、解决客户对卡盘等夹具出现的一切顾虑问题
一线品牌,一级代理,快速选配,技术支持
微信咨询
400电话