-
浮动设计
用于夹紧锻件、铸件,并且夹紧力强。
-
倾斜夹持
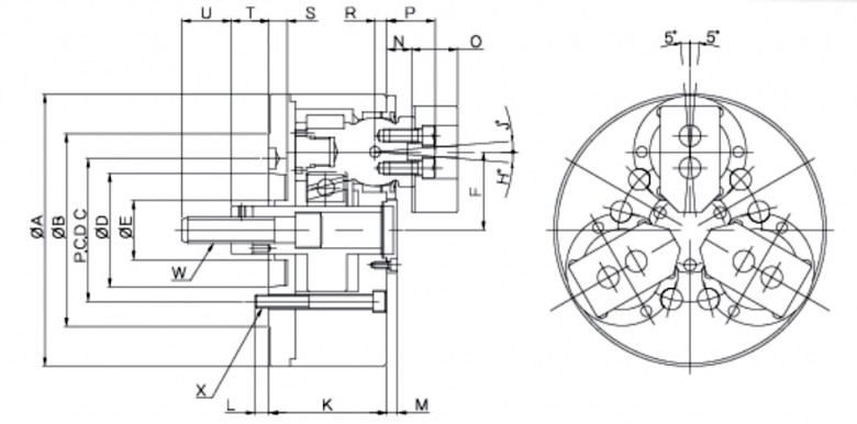
可以夹紧工件的10度倾斜面,具有卡爪可自动左右转动 5º的功能。
-
补偿式卡盘
具有有加工轴的特殊类型的补偿式卡盘和同样结构的2爪卡盘。
-
优选材质
使用优质的钢材,精密研磨,使用寿命长。

韩国瑞岩SEOAM摇摆球锁卡盘(SM-CBL)是一款浮动式动力卡盘, 后拉设计,适合夹持圆棒类锻件、铸件等工件。
产品特点:
1、用于夹紧锻件、铸件,并且夹紧力强。
2、可以夹紧工件的10度倾斜面,具有卡爪可自动左右转动 5º的功能。
3、具有有加工轴的特殊类型的补偿式卡盘和同样结构的2爪卡盘。
| 产品参数详情表 | ||||||||||||
| 规格 | 爪行程直径(mm) | 柱塞行程(mm) | 夹持力(max) | 夹持力(min) | 输入力(kgf) | 静夹持力(kgf) | 转速(r.p.m) | 重量(kg) | 转动惯性(-) | |||
| SM-CBL06 | 9.2 | 15 | 120 | 12 | 26.5(2700) | 44.1(4500) | 4000 | 17.6 | 2.65(0.27) | |||
| SM-CBL08 | 9.2 | 15 | 150 | 16 | 33.3(3400) | 56.9(5800) | 3500 | 27 | 5.88(0.6) | |||
| SM-CBL10 | 12.4 | 20 | 205 | 50 | 44.1(4500) | 72.6(7400) | 3000 | 34 | 10.39(1.06) | |||
用于夹紧锻件、铸件,并且夹紧力强。
可以夹紧工件的10度倾斜面,具有卡爪可自动左右转动 5º的功能。
具有有加工轴的特殊类型的补偿式卡盘和同样结构的2爪卡盘。
使用优质的钢材,精密研磨,使用寿命长。
品牌中心/ Brand center
从原料到成品,经过108道工序,采用德制设备及检测仪器来完成整套加工工序,不合格品一律报废处理,确保产品出厂合格率.
一手货源,没有中间商
产品被好的品牌选用,例如︰美国哈挺、日本津上、韩国斗山等
广泛应用于航天航空、精密模具、医疗器械等夹持有精度要求的行业
拥有设计团队,半小时内掌握需求,24小时内能出具方案给到您
全国多个仓库,就近发货
3分钟内响应、当天了解、分析、解决客户对卡盘等夹具出现的一切顾虑问题
一线品牌,一级代理,快速选配,技术支持
微信咨询
400电话