-
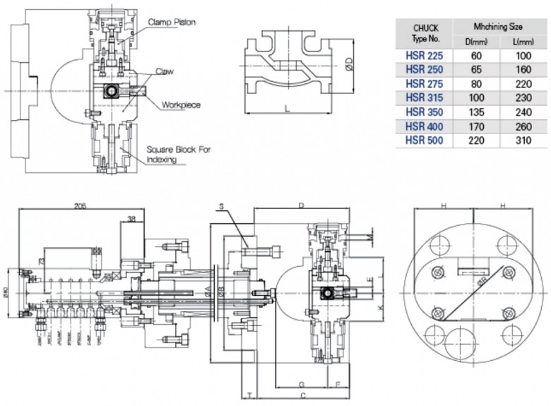
多位面加工
是用在多位面加工的专用卡盘,例如水泵、十字镐等工件。
-
90˚或45˚
机床主轴在旋转中也能自动地分度为90˚或45˚。
-
自动分度
一次装夹能完成四面或八面加工。
-
优选材质
使用优质的钢材,精密研磨,使用寿命长。

韩国瑞岩SEOAM自动分度卡盘SM-HSR系列是一款分度动力卡盘,适合夹持多位面加工的工作,能实现45°和90°分度。
产品特点:
1.是用在多位面加工的专用卡盘,例如水泵、十字镐等工件。
2.一次装夹能完成四面或八面加工。
3. 机床主轴在旋转中也能自动地分度为90˚或45˚。
| 产品参数详情表 | |||||||||||
| 规格 | 重量(kg) | 夹持力(kgf) | 车床主轴(-) | 主轴孔转速(r.p.m) | GD2 | ||||||
| SM-HSR 225 | 29 | 12.4(1.270) | ASA No.6~8 | Over 45 | 8.82(0.9) | ||||||
| SM-HSR 250 | 44 | 17(1,730) | ASA No.6~8 | Over 45 | 16.66(1.7) | ||||||
| SM-HSR 275 | 56 | 25(2,550) | ASA No.6~8 | Over 45 | 27.44(2.8) | ||||||
是用在多位面加工的专用卡盘,例如水泵、十字镐等工件。
机床主轴在旋转中也能自动地分度为90˚或45˚。
一次装夹能完成四面或八面加工。
使用优质的钢材,精密研磨,使用寿命长。
品牌中心/ Brand center
从原料到成品,经过108道工序,采用德制设备及检测仪器来完成整套加工工序,不合格品一律报废处理,确保产品出厂合格率.
一手货源,没有中间商
产品被好的品牌选用,例如︰美国哈挺、日本津上、韩国斗山等
广泛应用于航天航空、精密模具、医疗器械等夹持有精度要求的行业
拥有设计团队,半小时内掌握需求,24小时内能出具方案给到您
全国多个仓库,就近发货
3分钟内响应、当天了解、分析、解决客户对卡盘等夹具出现的一切顾虑问题
一线品牌,一级代理,快速选配,技术支持
微信咨询
400电话