六欣 开云电竞首存活动集研发/生产/销售服务于一体

全国服务热线400-892-2003189-2584-2597

六欣机械:开云电竞首存活动产品齐全满足一站购齐需求

热搜关键词: 浮动卡盘 hth开云 hth华电竞和开云 夹具附件

上一页
下一页

瑞岩中实回转油缸

瑞岩中实回转油缸(带接近开关)YMS系列

韩国瑞岩SEOAM中实回转油缸(带接近开关)YMS系列一款中实型油缸,由于此型号回转油缸带接近开关,可与自动控制装置连接,来检测回转油缸活塞的运行情况。

产品特点:

1.油缸的长度较短 : 油缸的长度较短,使设备的长度也相应的缩短,从而提高其效能性。

2.在油缸的中心轴处形成贯通径 : 在油缸的中心轴处形成贯通径,在切削油及空的喷射上得到活用。

服务热线: 400-892-2003
产品参数/ Product parameters
产品参数详情表
规格 允许转速(r.p.m) 重量(kg) 转动惯量(-) 活塞行程(mm) 活塞表面积扩大(-) 活塞表面积缩回(-) 拉杆拉伸(-) 拉杆拉回(-) 操作压力(-)
YMS-105-20 6000 14 1.52(0.16) 15 83.0 76.4 31.2(3183) 28.7(2930) 40.8
YMS-120-20 5000 12 2.11(0.22) 20 109.5 102.9 41.2(4200) 38.7(3946) 40.8
YMS-135-20 5000 13.2 3.20(0.33) 20 141.9 132.9 53.4(5442) 50.0(5097) 40.8
YMS-140-25 5000 14.5 3.92(0.40) 25 153.9 143.7 57.9(5902) 54.1(5511) 40.8
YMS-150-35 4200 17.5 4.60(0.47) 35 188.6 176.1 70.9(7233) 66.3(6754) 40.8
产品特点/ Product characteristics
  • 油路长度达到最小化

    油路长度达到最小化

    油缸内部油路长度达到最小化,扩大油路径,从而使油缸的运转速度加快。

  • 油缸带有单向阀

    油缸带有单向阀

    回转油缸带有单向阀,当断电时,压力仍可保持一段时间,因此确保安全。

  • 油缸的长度较短

    油缸的长度较短

    油缸的长度较短,使设备的长度也相应的缩短,从而提高其效能性。

  • 带接近开关

    带接近开关

    带接近开关,可与自动控制装置连接,来检测回转油缸活塞的运行情况。

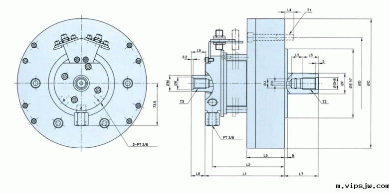
尺寸表/ Indexing chuck process drawing

瑞岩中实回转油缸图纸

瑞岩中实回转油缸尺寸表

品牌中心/ Brand center

品牌中心LOGO

六欣优势/ liuxin advantage
  • 品质

    从原料到成品,经过108道工序,采用德制设备及检测仪器来完成整套加工工序,不合格品一律报废处理,确保产品出厂合格率.

  • 价格

    一手货源,没有中间商

  • 品牌

    产品被好的品牌选用,例如︰美国哈挺、日本津上、韩国斗山等

  • 精度

    广泛应用于航天航空、精密模具、医疗器械等夹持有精度要求的行业

  • 定制

    拥有设计团队,半小时内掌握需求,24小时内能出具方案给到您

  • 货源

    全国多个仓库,就近发货

  • 服务

    3分钟内响应、当天了解、分析、解决客户对卡盘等夹具出现的一切顾虑问题


  • 选配

    一线品牌,一级代理,快速选配,技术支持

热品推荐 / Hot product

千岛三爪中空液压卡盘

千岛三爪中空液压卡盘OP

台湾千岛chandox三爪中空液压卡盘OP系列是一款中空卡盘,搭配中空型油缸和拉杆一起工作;通孔设计工件可以穿过卡盘,一般适合夹持圆棒工件。产品优势:1、优选材质,端面经硬化处理及精密研磨而成,耐用性强。2、产品被好的品牌选用,例如:美国哈挺、日本津上、韩国斗山等。应用场景:主要应用于数控车床,CNC加工中心等机床设备夹持工件的作用。
千岛二爪中空液压卡盘

千岛二爪中空液压卡盘OPT

台湾千岛chandox二爪中空液压卡盘OPT系列是一款二爪卡盘,此款卡盘适合夹持不规则工件,如方形工件等。产品优势:1、从原料到成品,经过108道工序精密研磨,采用德制设备及检测仪器来完成整套加工工序,不合格品一律报废处理,确保产品出厂合格率达100%。2、产品被好的品牌选用,例如:美国哈挺、日本津上、韩国斗山等。应用场景:主要应用于数控车床,CNC加工中心等机床设备夹持工件的作用。
千岛四爪中空液压卡盘

千岛四爪中空液压卡盘OPF

台湾千岛chandox四爪中空液压卡盘OPF系列是一款中空设计的夹具,通孔设计工件可以穿过卡盘,一般适合夹持圆棒或者不规则工件。产品优势:1、从原料到成品,经过108道工序精密研磨,采用德制设备及检测仪器来完成整套加工工序,不合格品一律报废处理,确保产品出厂合格率达100%。2、产品被好的品牌选用,例如:美国哈挺、日本津上、韩国斗山等。应用场景:主要应用于数控车床,CNC加工中心等机床设备夹持工件的作用。
千岛立车用中实卡盘

千岛立车用中实卡盘CL-DP

台湾千岛chandox立车用中实卡盘CL-DP系列是一款中实设计的夹具,一般使用在立车上,适合夹持超大型工件。产品优势:1、从原料到成品,经过108道工序精密研磨,采用德制设备及检测仪器来完成整套加工工序,不合格品一律报废处理,确保产品出厂合格率达100%。2、产品被好的品牌选用,例如:美国哈挺、日本津上、韩国斗山等。应用场景:主要应用于CNC加工中心等机床设备夹持工件的作用。
全国服务热线: 400-892-2003
Baidu
map