六欣 开云电竞首存活动集研发/生产/销售服务于一体

全国服务热线400-892-2003189-2584-2597

六欣机械:开云电竞首存活动产品齐全满足一站购齐需求

热搜关键词: 浮动卡盘 hth开云 hth华电竞和开云 夹具附件

上一页
下一页

瑞岩中实回转油缸

瑞岩中实回转油缸

瑞岩中实回转油缸

瑞岩中实回转油缸YAS系列

韩国瑞岩SEOAM中实回转油缸YAS系列一款中实型油缸,此产品是一种最经济型的回转油缸,在工件不穿过主轴箱的情况下使用。

产品特点:

1.水平与竖直安装均可 : 此型号的回转油缸既可水平安装也可垂直安装,因此,可安装在立式车床上。

2.体积小、重量轻 : 此型号的回转油缸采用铝合金铸模的方式生产,因此具有结构简单、体积小、重量轻的特点。

3. 高速旋转 : 经过动平衡处理的回转油缸在高速旋转的情况下也能确保其安全性。

服务热线: 400-892-2003
产品参数/ Product parameters
产品参数详情表
规格 允许转速(r.p.m) 重量(kg) 转动惯量(-) 活塞行程(mm) 活塞表面积扩大(-) 活塞表面积缩回(-) 拉杆拉伸(-) 拉杆拉回(-) 操作压力(-)
YAS-100 6000 19.5 3.62(0.37) 20 86.5 79.5 31.8(3244) 29.3(2989) 40.8
YAS-125 6000 7.4 0.88(0.09) 25 132.5 123.0 48.8(4978) 45.3(4621) 40.8
YAS-150 5500 10.3 1.47(0.15) 30 176.0 160.0 64.8(6610) 60.0(6120) 40.8
YAS-200 5500 19.5 3.62(0.37) 35 330.0 306.0 121.6(12404) 112.8(11505) 40.8
-
产品特点/ Product characteristics
  • 体积小、重量轻

    体积小、重量轻

    采用铝合金铸模的方式生产,因此具有结构简单、体积小、重量轻的特点。

  • 水平与竖直安装均可

    水平与竖直安装均可

    此型号的回转油缸既可水平安装也可垂直安装,因此,可安装在立式车床上。

  • 高速旋转

    高速旋转

    经过动平衡处理的回转油缸在高速旋转的情况下也能确保其安全性。

  • 经济型中实油缸

    经济型中实油缸

    此产品是一种最经济型的回转油缸,在工件不穿过主轴箱的情况下使用。

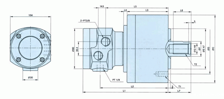
尺寸表/ Indexing chuck process drawing

瑞岩中实回转油缸图纸

瑞岩中实回转油缸尺寸表

品牌中心/ Brand center

品牌中心LOGO

六欣优势/ liuxin advantage
  • 品质

    从原料到成品,经过108道工序,采用德制设备及检测仪器来完成整套加工工序,不合格品一律报废处理,确保产品出厂合格率.

  • 价格

    一手货源,没有中间商

  • 品牌

    产品被好的品牌选用,例如︰美国哈挺、日本津上、韩国斗山等

  • 精度

    广泛应用于航天航空、精密模具、医疗器械等夹持有精度要求的行业

  • 定制

    拥有设计团队,半小时内掌握需求,24小时内能出具方案给到您

  • 货源

    全国多个仓库,就近发货

  • 服务

    3分钟内响应、当天了解、分析、解决客户对卡盘等夹具出现的一切顾虑问题


  • 选配

    一线品牌,一级代理,快速选配,技术支持

热品推荐 / Hot product

千岛三爪中空液压卡盘

千岛三爪中空液压卡盘OP

台湾千岛chandox三爪中空液压卡盘OP系列是一款中空卡盘,搭配中空型油缸和拉杆一起工作;通孔设计工件可以穿过卡盘,一般适合夹持圆棒工件。产品优势:1、优选材质,端面经硬化处理及精密研磨而成,耐用性强。2、产品被好的品牌选用,例如:美国哈挺、日本津上、韩国斗山等。应用场景:主要应用于数控车床,CNC加工中心等机床设备夹持工件的作用。
千岛二爪中空液压卡盘

千岛二爪中空液压卡盘OPT

台湾千岛chandox二爪中空液压卡盘OPT系列是一款二爪卡盘,此款卡盘适合夹持不规则工件,如方形工件等。产品优势:1、从原料到成品,经过108道工序精密研磨,采用德制设备及检测仪器来完成整套加工工序,不合格品一律报废处理,确保产品出厂合格率达100%。2、产品被好的品牌选用,例如:美国哈挺、日本津上、韩国斗山等。应用场景:主要应用于数控车床,CNC加工中心等机床设备夹持工件的作用。
千岛四爪中空液压卡盘

千岛四爪中空液压卡盘OPF

台湾千岛chandox四爪中空液压卡盘OPF系列是一款中空设计的夹具,通孔设计工件可以穿过卡盘,一般适合夹持圆棒或者不规则工件。产品优势:1、从原料到成品,经过108道工序精密研磨,采用德制设备及检测仪器来完成整套加工工序,不合格品一律报废处理,确保产品出厂合格率达100%。2、产品被好的品牌选用,例如:美国哈挺、日本津上、韩国斗山等。应用场景:主要应用于数控车床,CNC加工中心等机床设备夹持工件的作用。
千岛立车用中实卡盘

千岛立车用中实卡盘CL-DP

台湾千岛chandox立车用中实卡盘CL-DP系列是一款中实设计的夹具,一般使用在立车上,适合夹持超大型工件。产品优势:1、从原料到成品,经过108道工序精密研磨,采用德制设备及检测仪器来完成整套加工工序,不合格品一律报废处理,确保产品出厂合格率达100%。2、产品被好的品牌选用,例如:美国哈挺、日本津上、韩国斗山等。应用场景:主要应用于CNC加工中心等机床设备夹持工件的作用。
全国服务热线: 400-892-2003
Baidu
map